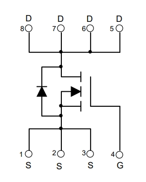
首页>> 产品中心>> MOSFET>> Trench MOS>>

Trench MOS
Part Number Download Circuit Status Type Process

ESD

Yes/No

VDS

V

VGS

V

ID

A

VGS(TH)

V

RDS(mΩ)@VGS

10V Typ

RDS(mΩ)@VGS

10V Max

RDS(mΩ)@VGS

4.5V Typ

RDS(mΩ)@VGS

4.5V Max

Package
Active
Dual-N
Dual-P
N/P-ch
Single-N
Single-P
Trench
No
Yes
±10
±12
±16
±20
±25
±30
±6
±7
±8
-0.35~-1.1
-0.3~-1.0
-0.45~
-0.45~-1.0
-0.45~-1.2
-0.4~-0.9
-0.4~-1.0
-0.4~-1.2
-0.4~-1.3
-0.55~-1.0
-0.5~-0.9
-0.5~-1.0
-0.5~-1.5
-0.6~-1.4
-0.6~-1.5
-0.7~-1.3
-0.9~-2.0
-1.0~-2.0
-1.0~-2.5
-1.0~-3.0
-1.1~-2.2
-1.2~-2.2
-1.5~-2.5
-1.5~-3.5
-2.0~-4.0
0.35~1.1
0.35~1.4
0.35~2.5
0.3~1.1
0.45~1.0
0.45~1.1
0.45~1.2
0.4~1.0
0.4~1.1
0.4~1.2
0.4~1.4
0.5~0.9
0.5~1.0
0.5~1.1
0.5~1.2
0.5~1.3
0.5~1.5
0.5~2.0
0.65~1.2
0.6~1.0
0.6~1.2
0.6~1.4
0.6~1.5
0.7~1.4
0.7~1.5
0.7~3.0
0.8~1.5
0.8~3.0
0.9~1.5
1.0~2.0
1.0~2.2
1.0~2.5
1.0~3.0
1.2~2.5
1.2~2.8
1.2~3.0
1.3~2.3
1.3~2.5
1.5~2.5
2.0~4.0
CSPB1111-4
CSPB1313-4
CSPB1515-4
CSPB1717-4
CSPB1912-6
CSPB2213-6
CSPB2217-6
CSPC2019-10
CSPC2115-10
CSPC2623-10
CSPC2624-10
CSPC3015-10
CSPC3028-14
CSPC3030-14
CSPC3220-10
CSPC3421-10
DFN1006-3L
DFN1006-3L-A
DFNWB2x2-6L
DFNWB2x3-6L
DFNWB3x3-8L
DFNWB5x2-6L
PDFNWB3.3x3.3-8L
PDFNWB3.3x3.3-8L-B
PDFNWB5x6-8L
PDFNWB5x6-8L-A
SOP8
SOT-223
SOT-23
SOT-23-3L
SOT-23-6L
SOT-323
SOT-363
SOT-523
SOT-563
SOT-723
SOT-89-3L
TO-220-3L-C
TO-252-2L
TO-92
TSSOP8
WBFBP-03E
CJAB25P03A

Active
Single-P
Trench
No
-30
±20
-25
-1.0~-3.0
13
20
17
30
PDFNWB3.3x3.3-8L
2N7002A

Active
Single-N
Trench
No
60
±20
0.45
1.0~2.5
500
750
-
-
SOT-23
CJ3139KA

Active
Single-P
Trench
Yes
-20
±10
-0.66
-0.35~-1.1
-
-
330
450
SOT-23
CJ3134KA

Active
Single-N
Trench
Yes
20
±12
0.9
0.4~1.1
-
-
110
170
SOT-23
CJAC1214M03

Active
N/P-ch
Trench
Trench
No
No
30
-30
±20
±20
30
-30
1.0~2.5
-1.0~-2.5
6.8
11
12
15
8.3
15
16
25
PDFNWB5x6-8L-A
CJA05N06

Active
Single-N
Trench
No
60
±20
5.5
0.5~2.0
72
105
83
125
SOT-89-3L
CJ8820

Active
Single-N
Trench
Yes
20
±12
7
0.5~1.1
16.7
21
18.7
24
SOT-23
CJ8810

Active
Single-N
Trench
Yes
20
±12
7
0.4~1.0
15.5
26
16
27
SOT-23
2SK3018S

Active
Single-N
Trench
No
30
±20
0.5
0.8~1.5
-
-
-
-
SOT-23
2SK3018S

Active
Single-N
Trench
No
30
±20
0.5
0.8~1.5
-
-
-
-
SOT-323
CJQ2040M04

Active
N/P-ch
Trench
Trench
No
No
40
-40
±20
±20
6
-4
1.0~2.5
-1.0~-3.0
15
30
21
45
21
40
29
60
SOP8
CJND2004S

Active
Dual-N
Trench
Yes
18
±12
10
0.4~1.1
-
-
8.9
11.6
DFNWB5x2-6L
CJAB35P03B

Active
Single-P
Trench
No
-30
±20
-35
-1.0~-2.5
9
14
12.5
24
PDFNWB3.3x3.3-8L
CJAB25N04A

Active
Single-N
Trench
No
40
±20
25
1.0~2.5
6.6
8.5
8.5
12
PDFNWB3.3x3.3-8L
2SK3019S

Active
Single-N
Trench
No
30
±20
0.5
0.8~1.5
-
-
-
-
SOT-523
CJS8810A

Active
Dual-N
Trench
Yes
20
±10
7
0.4~1.0
13.6
17.7
14.5
18.9
TSSOP8
CJCD2007A

Active
Dual-N
Trench
Yes
20
±10
8
0.4~1.0
10.5
13.7
11.3
14.7
DFNWB2x3-6L
CJQ4459A

Active
Single-P
Trench
No
-30
±20
-6
-1.0~-2.5
28
36
40
52
SOP8
CJ2301A

Active
Single-P
Trench
No
-20
±8
-2.3
-0.4~-1.0
-
-
82
112
SOT-23
CJQ20N03B

Active
Single-N
Trench
No
30
±20
20
1.0~2.5
3.5
4.5
4.3
6.5
SOP8